Государственный реестр средств измерений Российской Федерации № 48753-11
Назначение
Теплосчетчик ТЭМ–104 предназначен для измерения и регистрации с целью коммерческого и технологического учета значений потребленного (отпущенного) количества теплоты. В теплосчетчике также реализованы функции измерения, индикации, регистрации технологических параметров систем теплоснабжения и горячего водоснабжения.
Области применения: предприятия тепловых сетей, тепловые пункты жилых, общественных и производственных зданий; центральные тепловые пункты, тепловые сети объектов (зданий) промышленного и бытового назначения, источники теплоты. Теплосчетчики могут быть использованы для создания автоматизированных систем контроля, учета и регулирования тепловой энергии.
В состав теплосчетчиков входят:
- измерительно-вычислительный блок (ИВБ) – 1 шт;
- первичные преобразователи расхода электромагнитного типа (ППР) – от 1 до 2 шт;
- измерительные преобразователи расхода с частотно-импульсным выходным сигналом (ИП) – до 2 шт;
- измерительные преобразователи температуры – термопреобразователи сопротивления (ТС) – до 6 шт;
- по дополнительному заказу измерительные преобразователи давления (ДИД) – до 4 шт.
Дополнительно теплосчетчик может комплектоваться устройствами и оборудованием для дистанционной передачи данных:
- преобразователем сигналов RS232/Ethernet;
- адаптером сотовой связи (в комплекте с блоком питания и антенной);
- адаптером радиосвязи (радио-модем);
- диспетчерским ПО (ТЭСМА ДИС);
- программой чтения статистики с базой данных;
- адаптером универсальным (АПД-01ПУ);
- конверторами RS232/RS485;
- кабелем для подключения к ПК
Отличительные особенности:
- высокая точность измерения расхода теплоносителя;
- широкий динамический диапазон измерения расхода – 1:400 (по заказу 1:1000);
- возможность измерения расхода при обратном (реверсивном) движении теплоносителя;
- отсутствие дополнительного гидравлического сопротивления;
- не требуются установка специальных сетчатых фильтров;
- возможность выбора схем установки пользователем: в приборе предусмотрен выбор 12 различных теплотехнических схем установки;
- возможность просмотра архива данных на индикаторе;
- теплосчетчик имеет режим самодиагностики с выводом на индикатор вычислителя символа нештатной ситуации в системе тепло или водоснабжения или технической неисправности;
- малые длины прямолинейных участков для установки приборов (3Ду до и 1 Ду после первичного преобразователя расхода ППР).
- гальваноразвязанный порт ввода-вывода RS-485
Основные технические характеристики
|
Характеристика |
Значение |
|
Диапазоны измерений: - температуры |
0-150°С |
|
Динамический диапазон измерений расхода: |
1:400 (1:1000) |
|
Длина линии связи: - индукционный датчик расхода -ИВБ |
Длина линии связи: до 100м |
|
Токовый выход |
4-20мА |
|
Габаритные размеры ИВБ |
182х180х95 |
|
Межповерочный интервал |
4 года |
Диапазоны измерений расходов
| Ду,мм | Наименьший расход, м3/час | Наибольший расход, м3/час |
| 15 | 0,015 (0,006) | 6 |
| 25 | 0,04 (0,016) | 16 |
| 32 | 0,075 (0,03) | 30 |
| 50 | 0,15 (0,06) | 60 |
| 80 | 0,4 (0,16) | 160 |
| 100 | 0,75 (0,3) | 300 |
| 150 | 1,5 (0,6) | 600 |
В скобках указаны значения, выполняемые по заказу.
Глубина архива:
| Часовых данных | 1536 (64суток) |
| Суточных данных | 384 (12 месяцев) |
| Месячных записей | 120 (10 лет) |
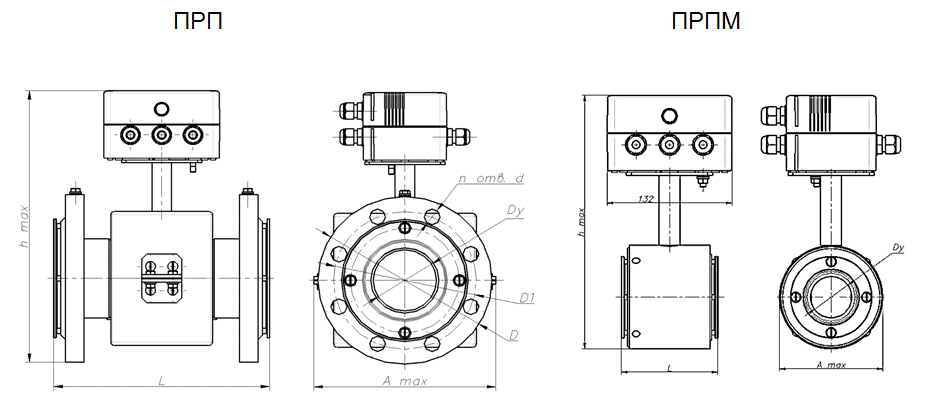
Габаритные размеры первичных преобразователей расхода

| Тип |
Размеры, мм | ||||||||
| Dу | L | h max | h | Amax | D | D1 | d | n | |
| ПРП-25 | 25 | 150 (160) | 222 | 165 | 115 | 115 | 85 | 14 | 4 |
| ПРП-32 | 32 | 202 (210) | 247 | 179 | 180 | 135 | 98 | 16 | 4 |
| ПРП-50 | 50 | 202 (210) | 257 | 177 | 180 | 160 | 125 | 18 | 4 |
| ПРП-80 | 80 | 234 (242) | 273 | 181 | 220 | 195 | 160 | 18 | 8 |
| ПРП-100 | 100 | 240 (248) | 300 | 185 | 232 | 230 | 190 | 22 | 8 |
| ПРП-150 | 150 | 310 (318) | 389 | 239 | 296 | 300 | 250 | 26 | 8 |
| ПРПМ-15 | 15 | 100 | 237 | 122 | 108 | 85 | |||
| ПРПМ-25 | 25 | 100 | 237 | 122 | 108 | 85 | |||
| ПРПМ-32 | 32 | 100 | 237 | 122 | 108 | 85 | |||
| ПРПМ-50 | 50 | 100 | 237 | 122 | 108 | 85 | |||
В скобках указан размер для исполнения с прижимными шайбами. Прижимные шайбы предназначены для дополнительной защиты фторопластовой футеровки при монтаже и эксплуатации ПРП.


